Más de 20 años de experiencia en el fabricante de máquinas perfiladoras

Solución para el proyecto de máquina perfiladora de aluminio en el mercado de Nigeria
Hogar » Noticias » BLOG » Solución para el proyecto de máquina perfiladora de aluminio en el mercado de Nigeria

NOTICIAS

Solución para el proyecto de máquina perfiladora de aluminio en el mercado de Nigeria

Autor:Editor del sitio     Hora de publicación: 2018-08-04      Origen:Sitio

Preguntar

Solución para el proyecto de máquina perfiladora de aluminio en el mercado de Nigeria


1.
Antecedentes de la solución:

El comprador es un promotor inmobiliario y gasta demasiado para comprar sus proyectos de vivienda. Y no puede controlar el tiempo de entrega de losetas y láminas de gran longitud. Un desarrollador de bienes raíces, sus proyectos de vivienda requieren al menos tres productos principales: máquina perfiladora de tramos largos para producir techos, máquina perfiladora de tejas escalonadas para producir tejas y máquina perfiladora de tejas metrocopo para fabricar tejas metrocopo.

Entonces le sugerimos que comience con tres máquinas. Agregar un montacargas para operar sus máquinas en su fábrica.

Los detalles son los siguientes:


1. Máquina formadora de rollos de tramo largo (estilo europeo) :
Dibujo de tramo largo:

Máquina perfiladora de tramos largos

Muestra de largo alcance

Foto de la máquina de luz larga (estilo europeo):

Máquina de luces largas PARÁMETROS PRINCIPALES :

1) Velocidad de formación: máx. Aproximadamente 2 5m/min. (excluyendo el tiempo de corte)

2) Potencia del motor principal: 5.5KW (depende del diseño final)

3) Potencia de la estación hidráulica: 2,2 KW (depende del diseño final)

4) Sistema de control: Mitsubishi PLC y transductor , pantalla Mitsubishi ( marca japonesa )

5) Codificador: Nemicon ( marca japonesa )

6) Material de los rodillos Acero forjado No.45 de alto grado, con procesión controlada digitalmente,

Chapado con cromo en la superficie.

7) Diámetro del eje de 72 mm , mecanizado con una máquina rectificadora dos veces para garantizar la precisión del producto final.

8) Tipo de corte: Corte longitudinal y estilo postformado

9) Condición eléctrica: 380V/3Phase/50HZ(o depende del cliente)

10) Peso total: alrededor de 8500 kg

11) Tamaño de la máquina Aproximadamente 9X1.7X1.6m (largoXanchoXalto)



Sistema de control PLC completamente automático:

COMPONENTES DE LA MÁQUINA:

(1) Desenrollador manual 1 juego ( Capacidad: 5 toneladas )

(2) M/C perfilador en rollo 1 juego

( 3) Corte hidráulico 1 juego

( 4) Estación hidráulica 1 juego

( 5) Sistema de control PLC 1 juego

(6) Caja de herramientas 1 pieza



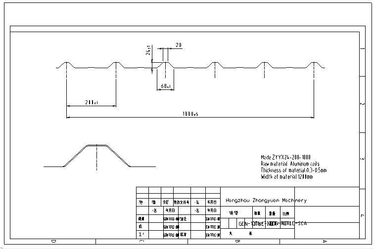
2. Máquina perfiladora de tejas escalonadas : dibujo de la máquina perfiladora de tejas escalonadas :

dibujo-máquina-de-baldosas-paso

Foto de la máquina para baldosas escalonadas (estilo europeo):

Muestra de mosaico escalonado:

PARÁMETROS PRINCIPALES para la máquina de baldosas escalonadas :

1) Velocidad de trabajo : aproximadamente 6m/min. ( incluido el tiempo de corte y prensado )

2) Potencia del motor principal: 5.5KW (depende del diseño final)

3) Potencia de la estación hidráulica: 5.5KW (depende del diseño final)

4) Sistema de control: Transductor , PLC Mitsubishi y pantalla Mitsubishi ( marca japonesa )

5) Codificador: Nemicon ( marca japonesa )

6) Material de los rodillos Acero forjado No.45 de alto grado, con procesión controlada digitalmente,

Chapado con cromo en la superficie.

7) Diámetro del eje 72 mm , mecanizado con una rectificadora dos veces

para garantizar la precisión del producto final.

8) Tipo de corte: Corte longitudinal y estilo postformado

9) Condición eléctrica: 380V/3Phase/50HZ(o depende del cliente)

10) Peso total: alrededor de 11500 kg


Sistema de control PLC completamente automático:

COMPONENTES DE LA MÁQUINA:

(1) Desenrollador manual 1 juego ( Capacidad: 5 toneladas )

(2) M/C perfilador en rollo 1 juego

(3) Dispositivo de prensado hidráulico 1 juego

( 4) Corte hidráulico 1 juego

( 5) Estación hidráulica 1 juego

( 6) Sistema de control PLC 1 juego

(7) Caja de herramientas 1 pieza



3. Máquina perfiladora de tejas Metrocopo : Dibujo de la máquina perfiladora de tejas Metrocopo :

Foto de la máquina para tejas Metrocopo (estilo europeo):

Muestra de teja Metrocopo:

PRINCIPALES PARÁMETROS de la máquina para azulejos Metrocopo :

1) Velocidad de trabajo : aproximadamente 6m/min. ( incluido el tiempo de corte y prensado )

2) Potencia del motor principal: 5.5KW (depende del diseño final)

3) Potencia de la estación hidráulica: 5.5KW (depende del diseño final)

4) Sistema de control: Transductor , PLC Mitsubishi y pantalla Mitsubishi ( marca japonesa )

5) Codificador: Nemicon ( marca japonesa )

6) Material de los rodillos Acero forjado No.45 de alto grado, con procesión controlada digitalmente,

Chapado con cromo en la superficie.

7) Diámetro del eje 72 mm , mecanizado con una rectificadora dos veces

para garantizar la precisión del producto final.

8) Tipo de corte: Corte longitudinal y estilo postformado

9) Condición eléctrica: 380V/3Phase/50HZ(o depende del cliente)

10) Peso total: alrededor de 11500 kg



Sistema de control PLC completamente automático:

COMPONENTES DE LA MÁQUINA:

(1) Desenrollador manual 1 juego ( Capacidad: 5 toneladas )

(2) M/C perfilador en rollo 1 juego

(3) Dispositivo de prensado hidráulico 1 juego

( 4) Corte hidráulico 1 juego

( 5) Estación hidráulica 1 juego

( 6) Sistema de control PLC 1 juego

(7) Caja de herramientas 1 pieza



4. Carretilla elevadora: Hangcha Forklift (marca famosa en China, que es una empresa del grupo accionario, garantiza una buena calidad)

CPCD30N-RW15A, sistema de transmisión NISSAN.



Requisito de tamaño de fábrica del comprador: 20 m de largo x 10 m de ancho

Según el plan anterior, el comprador debe prepararse para al menos USD135000 para máquinas y montacargas. Y este pago no incluye la tarifa que el comprador debe pagar al impuesto de aduana de Nigeria ni el costo de despacho en el puerto de Tincan. El comprador puede obtener este impuesto personalizado y el costo de compensación del agente de compensación de Nigeria.

Zhongyuan puede suministrar todas las máquinas, montacargas y bobinas de aluminio necesarias para el comprador. El comprador sólo se prepara para el sitio de la fábrica y el dinero para esperar a que comience su proyecto.

¡Elija la máquina formadora Zhongyuan y haga realidad su sueño!

Hola clientes,

Hola, queridos clientes,
mi nombre es May Fu, soy el gerente de la fábrica de maquinaria Hangzhou Zhongyuan. He trabajado en la industria de maquinaria de construcción desde 2001. Con más de 23 años de experiencia exportando máquinas perfiladoras, visité más de 16 países para realizar investigaciones de mercado local, puedo recomendarle la máquina perfiladora más adecuada según sus solicitudes. Desde la selección de calidad de las máquinas hasta el precio competitivo de las máquinas que le preocupan mucho durante su compra, conozco bien todos los aspectos y puedo garantizarle el servicio más sencillo. No dude en ponerse en contacto conmigo si tiene alguna pregunta.